Standard service condition
1. Rated voltage: 36 VDC
2. Operating voltage range: 24V-50 VDC
3. Rated load (CW) : 6 N.m
4. Operation direction: CW/CCW from the direction of the exit shaft
5. Use posture: the direction of the exit axis is horizontal or vertical
6. Standard operating temperature: 25±5℃
7. Operating temperature range: -20 ~ 50℃
8. Standard operating humidity: 65%
9. Humidity range: 5 ~ 85%, no condensation
10. Storage temperature range: -30 ~ 70℃
11. Insulation Class: Class B
Electrical characteristic
1. No load speed: 315 rpm±10%
2. No-load current: 0.5 Arms
3. Rated load: 6 N.m
4. Rated load speed: 275rpm±10%
5. Rated load phase current (peak) : 7Apk±10%
6. Peak load: 17 N.m
7. Maximum load phase current (peak) : 23Apk±10%
8. Insulation resistance/stator winding: DC 500VAC, 100M Ohms
9. High voltage/stator and housing: 600 VAC, 1s, 2mA
10. Motor back potential: 9.6Vrms/kRPM±10%
11. Torque constant: 1.22N.m/Arms
12. T-N curve (36V)

13. T-N curve (48V)

14. Maximum overload curve
Driver product Specifications
| project | data |
| The rated working voltage | 36VDC |
| The maximum allowable voltage | 50VDC |
| Rated working phase current | 7Apk |
| Maximum allowable phase current | 23Apk |
| Standby power | ≤18mA |
| CAN bus bit rate | 1Mbps |
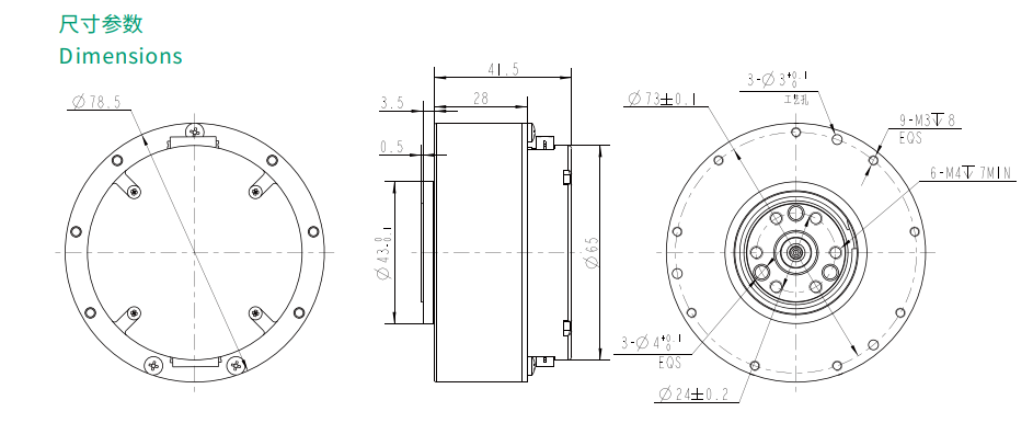
| Dimensions | Φ58mm |
| Working environment temperature | -20℃ to 50℃ |
| The maximum allowable temperature of the control board | 105℃ |
| encoder resolution | 14bit(absolute turn) |
Recommended driver interface brand and mode
| board end model | brand manufacturer | line end model | brand manufacturer |
| XT30PB(2+2)-M.G.B | AMASS (Ams) | XT30(2+2)-F.G.B | AMASS (Ams) |
Main devices and specifications
| No. | Item | Specifications | quantity |
| 1 | MCU chip | GD32F303RGT6 | 1 PCS |
| 2 | Driver chip | 6EDL7141 | 1 PCS |
| 3 | magnetic encoder chip | AS5047P | 1 PCS |
| 4 thermistor | NXFT15XH103FEAB021 / NCP18XH103F03RB PCS | ||
| 5 | Power MOS | JMGG031V06A | 6 PCS |

Copyright 2023 Copyright Jiangsu Fulling Motor Technology Co., Ltd.