PRODUCT

产品中心

FL42RBL-IE
产品中心 一体化系列

FL42RBL-IE

Φ42mm 一体化无刷电机,带内置驱动器,24VDC, 4200RPM
选件:
  • FL42RBL-IE

    编码器

  • FL42RBL-IE

    齿轮箱

  • FL42RBL-IE

    接插件

  • FL42RBL-IE

    刹车

特性概要 ( General Specifications )

绕组连接方式 ( Winding Type )

星形 ( Star connection)

霍尔分布角度 ( Hall Effect Angle )

120度电角度 ( Electrical Angle of 120 degree)

径向间隙 ( Radial Play )

0.02mm@450g

轴向间隙 ( Axial Play )

0.08mm@450g

最大径向负载 ( Max radial force )

15N  距法兰10mm ( 10mm From the flange)

最大轴向负载 ( Max axial force )

10N

介电强度 ( Dielectric Strength )  

600VAC/1S

绝缘电阻 ( Insulation Resistance )

100MΩ, 500VDC

环境温度 ( Ambient Temperature )

-20°C   ~   +50°C

绝缘等级 (Insulation Class)

Class B

  

接线说明(Electric Connection)

引出线型号Type

引出线颜色Color

功能Functions

UL1007 AWG22

红色  ( Red )

电源正  ( Vcc )

黑色  ( Black )

电源负  ( GND )

UL1007 AWG22

白色  ( White )

转向控制(Rotating Direction)CW/CCW

蓝色  ( Blue )

模拟量调速(Speed Control  with analog ref )   SV

黄色  ( Yellow )

转速信号反馈(Tacho out)

PG

 

电性能 (Electrical Specifications)


单 位 (Unit)

FL42RBL60-24V-4030A-IE

极数  ( Number of poles )


8

相数  ( Number of phases )


3

额定转矩 ( Rated torque)        

mN.m

56

连续运行转矩 ( Continuous stall torque)

mN.m

68

额定速度 ( Rated speed )         

RPM

4200

额定功率 ( Rated power )         

W

25

峰值转矩 ( Peak torque )          

mN.m

105

峰值电流 ( Peak current )         

A

3

线电阻 ( Line to line resistance )

ohms@20℃ 

1.6

线电感 ( Line to line inductance ) 

mH  

1.94

转矩常数 ( Torque constant )  

mN.m/A

41.31

反电势 ( Back EMF ) 

Vrms/KRPM

3.04

转动惯量 ( Rotor inertia )  

g.cm2

33

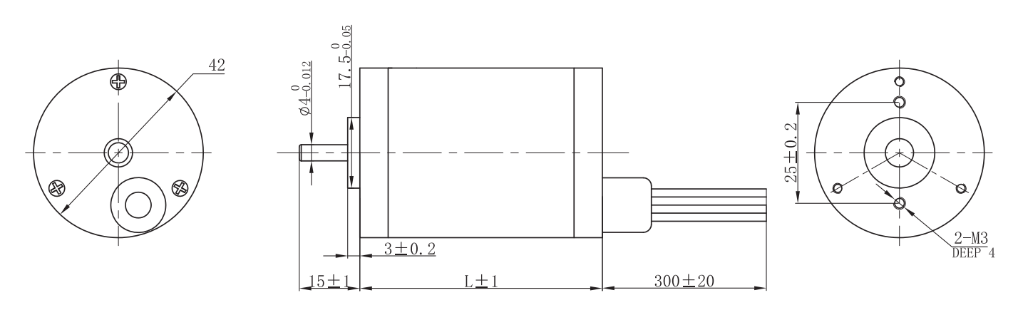
机身长度 ( Motor length )  L

mm

64

重量 ( Weight ) 

Kg

0.4

 

该款电机可以根据客户需求定制。

The motor can be designed &manufactured with customized request.

电机尺寸

image


资料下载
FL42RBL60-24V-4030A-IE 195.55 KB

Copyright 2023 版权所有 江苏富兴电机技术股份有限公司 苏ICP备05002292号-1