特性(Characteristic) | 参数(Parameter) | ||
编码器类型(Encoder type) | 1、光电编码器 Optical encoder 2、磁编码器 Magnetic encoder 3、旋转变压器Resolver 备注:多种分辨率可选,增量式、绝对值式可选。 Note: Multiple resolutions are available;Incremental and absolute values are available. | ||
径向负载(Max radial force ) | 28N@20mm from the flange |
环境条件 Environmental conditions | 使用环境温度: -20℃~ +40℃; Temperature: -20℃~ +40℃ 使用环境湿度:≤90%RH(无凝露); Relative humidity: ≤90%RH(No dewing) 安装环境:远离腐蚀、可燃性气体,油滴,灰尘, 海拔≤1000m(1000~4000m,降额使用); Installation environment: Far away active gas, Combustible gas, oil drop, ash. altitude≤1000m(1000~4000m,Derating use); 存储环境:-20℃~ +60℃,≤85%RH(无凝露)。 Storage Condition: -20℃~ +60℃,≤85%RH(No dewing). |
轴向负载(Max axial force) | 10N | ||
绝缘等级(Insulation Class) | B | ||
防护等级(Protection level) | IP30 | ||
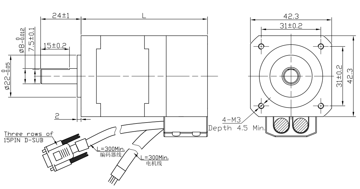
单位(Unit) | FL42SC03 | FL42SC06 | FL42SC08 | |
相电流 (Phase current) | A | 2.3 | 2.3 | 2.3 |
保持转矩 (Holding torque) | N·m | 0.3 | 0.6 | 0.8 |
最高转速 (Speed ) | rpm | 1800 | 1800 | 1800 |
编码器 (Encoder) | 1000cpr光电增量式编码器 1000cpr incremental optical encoder | |||
转动惯量 (Rotor inertia) | g.cm2 | 54 | 92 | 102 |
机身长度 (Motor Length) L | mm | 61 | 76 | 82 |
重量 (Weight ) | Kg | 0.3 | 0.5 | 0.55 |
序号 No. | 引出线颜色 Lead Color | 引出线型号 Lead Gauge | 功能 Function | 说明 Description |
3 | 红白色(Red/White) |
Cable Three rows of 15PIN D-SUB | GND | Signal Power negative |
2 | 红色(Red) | VCC:+5VDC | Signal Power positive | |
13 | 蓝色(Blue) | EA- | Two-channel differential signal (Three-channel differential signal can be provided). | |
1 | 蓝黑色(Blue/Black) | EA+ | ||
12 | 黑色(Black) | EB- | ||
11 | 黑白色(Black/White) | EB+ | ||
1 | 黑色(Black) | Cable UL2464 AWG20 | A相(Phase A) | |
2 | 绿色(Green) | C相(Phase C) | ||
3 | 红色(Red) | B相(Phase B) | ||
4 | 蓝色(Blue) | D相(Phase D) |
该款电机可以根据客户需求定制。
The motor can be designed &manufactured with customized request.


Copyright 2023 版权所有 江苏富兴电机技术股份有限公司 苏ICP备05002292号-1