绕组连接方式 ( Winding Type ) | 星形 ( Star connection ) |
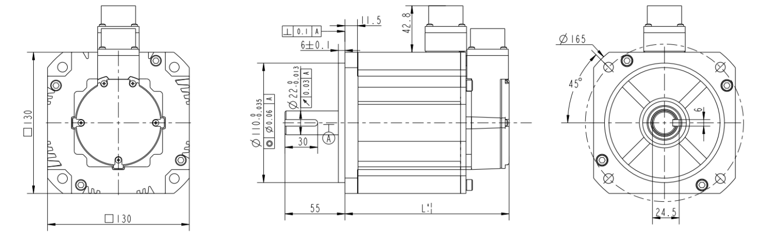
径向负载 ( Max radial force ) | 490N @ 20mm from the flange |
轴向负载 ( Max axial force ) | 196N |
绝缘等级 (Insulation Class) | Class B |
防护等级 (Protection level) | IP65 |
使用环境温度 (Temperature) | -20℃~ +50℃ |
使用环境湿度 (Relative humidity) | ≤90%RH (无凝露)( No dewing) |
存储环境 (Storage Condition) | -20℃~ +60℃,≤85%RH (无凝露)( No dewing) |
安装环境(Installation environment) | 远离腐蚀、可燃性气体,油滴,灰尘, 海拔≤1000m Far away active gas, Combustible gas, oil drop, ash |
Pin No | 引出线型号Type | 引出线颜色Color | 功能Functions |
5 | UL1332 AWG26
| 绿色 ( Green ) | 霍尔电源正 ( Vcc ) |
1 | 黄色 ( Yellow ) | 霍尔 U ( Hu ) | |
2 | 棕色 ( Brown ) | 霍尔 V ( Hv ) | |
3 | 灰色 ( Gray ) | 霍尔 W ( Hw ) | |
4 | 蓝色 ( Blue ) | 霍尔电源负 ( GND ) | |
1 | 具体规格见图纸定义 | 黄色 ( Yellow ) | U相 ( Phase U ) |
2 | 红色 ( Red) | V相 ( Phase V ) | |
3 | 黑色 ( Black ) | W相 ( Phase W ) |
| 类型 (Model) | 单位(Unit) | FL130BLG200 | FL130BLG300 | ||
| 额定功率(Rated power) PN | W | 2000 | 3000 | ||
| 额定电压(Rate d voltage) UN | VAC/VDC | 220 | 48 | 220 | 48 |
| 额定转速(Rate d speed) nN | rpm | 2000 | 2000 | 2000 | 2000 |
| 额定转矩(Rate d tor que) TN | N.m | 9.55 | 9.55 | 14.3 | 14.3 |
| 额定电流(Rate d current) IN | Arms | 7.8 | 52.9 | 11.7 | 79.3 |
| 峰值转矩(Peak torque) TM | N.m | 28.65 | 28.65 | 42.9 | 42.9 |
| 峰值电流(Peak current) IM | Arms | 23.4 | 158.7 | 35.1 | 237.9 |
| 电阻(Line to line resistance) Rz | ohm | 1.4 | 0.03 | 0.84 | 0.018 |
| 电感(Line to line inductance) Lz | mH | 6.8 | 0.14 | 4.8 | 01 |
| 反电势系数(Back EMF constant) Ke | V/krpm | 81 | 12 | 81 | 12 |
| 转矩系数(Torque constant) K | N.m/A | 1.22 | 0.18 | 1.22 | 0.18 |
| 转动惯量(Rotor inertia) Jm0 | kg.cm 2 | 14 | 14 | 19.9 | 19.9 |
| 转动惯量带制动器(Rotor inertia with brake) Jm1 | kg.cm 2 | 15.2 | 15.2 | 20.2 | 20.2 |
| 极数(Number of poles) | 10 | 10 | 10 | 10 | |
| 机身长度(Motor length) L1 | mm | 150 | 165 | 178 | 193 |
| 机身长度带制动器(Motor length with brake) L2 | mm | 178 | 193 | 206 | 221 |
| 重量(Weight) | kg | 7 | 7.5 | 11.7 | 12.7 |
| 重量带制动器(Weight with brake) | kg | 9.5 | 10 | 14.2 | 15.2 |
该款电机可以根据客户需求定制。
The motor can be designed &manufactured with customized request.

Copyright 2023 版权所有 江苏富兴电机技术股份有限公司 苏ICP备05002292号-1