
规格型号 Model | 步距角 Step Angle (Deg.) | 相数 No.of Phase | 电压 Voltage(V) | 电流 Current (A) | 电阻 Resistance (Ω) | 电感 Inductance (mH) | 步长 Step Avail (mm) | 推拉力 Push/Pull Torque (N) | 行程 Journey (mm) | 引出线型号 Leads | 接线图 Wdg | 外形图 Fig |
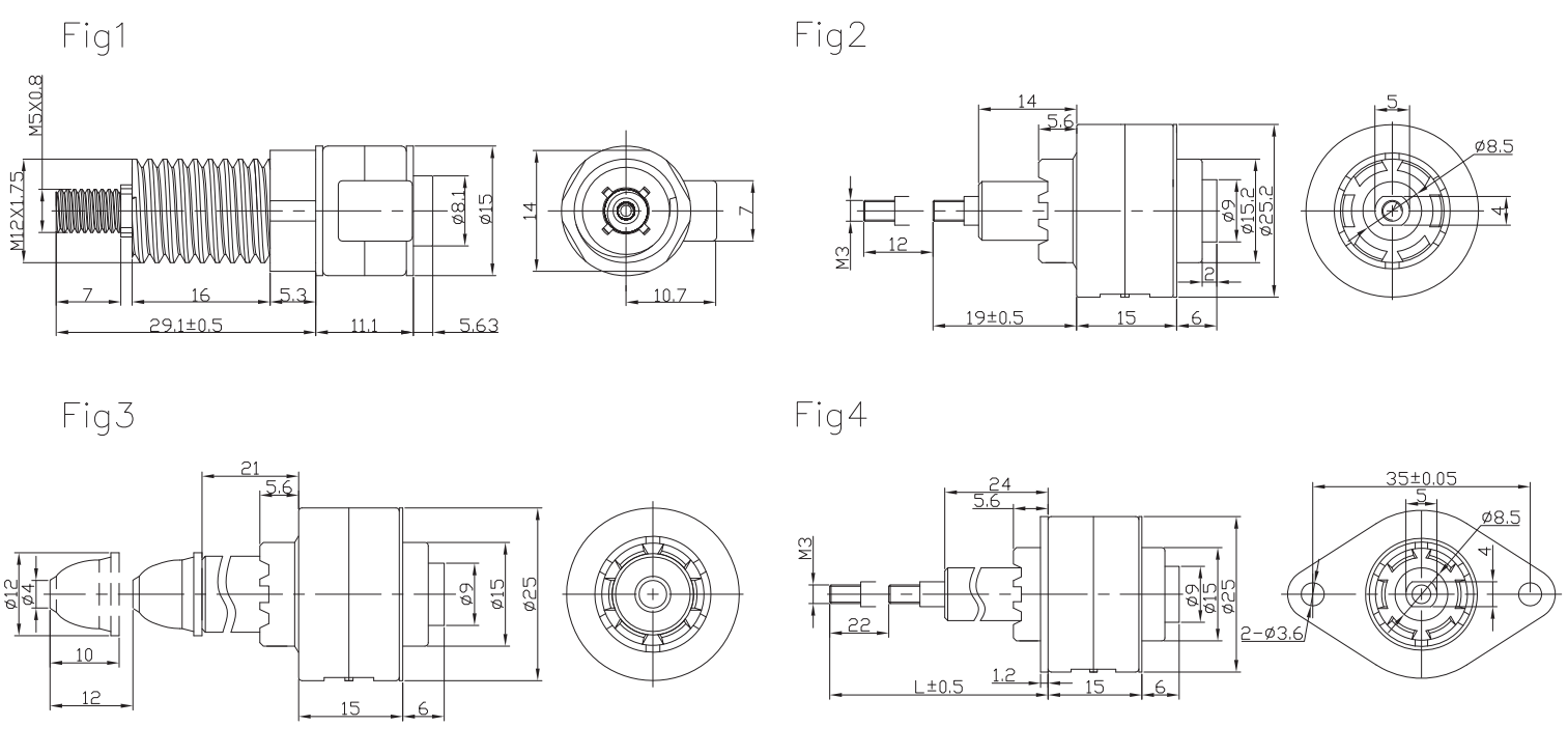
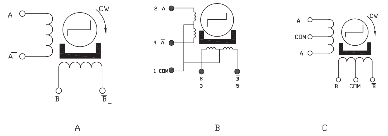
15BYZ-13 | 18 | 2 | 24 | 0.1(constant) | 30 | 6 | 0.02 | 4 | ≧12 | UL1061 30# | a | 1 |
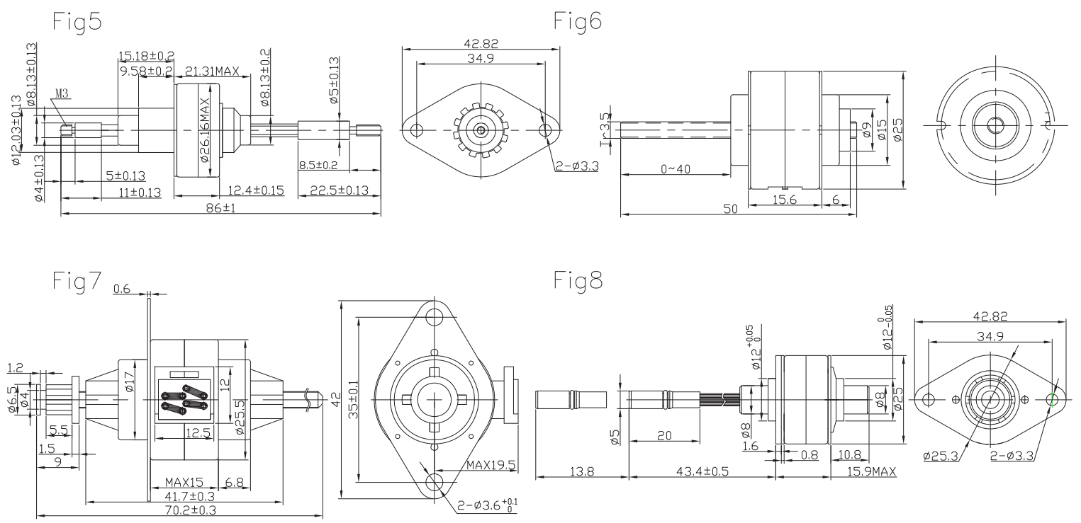
25BYZ-A04 | 15 | 4 | 5 | 0.23 | 22 | 4.3 | 0.0417 | 7 | ≧12 | UL1061 28# | c | 2 |
25BYZ-A01(09) | 15 | 2 | 12 | 0.23 | 53 | 23.5 | 0.0417 | 25 | ≧12 | AF-200 28# | a | 3 |
25BYZ-A022 | 15 | 4 | 2 | 0.23 | 53 | 9 | 0.0417 | 15 | ≧22 | UL1061 28# | c | 4 |
25BYZ-A035B | 7.5 | 2 | 12 | 0.14 | 84 | 48 | 0.0127 | 33 | ≧14 | UL1061 28# | a | 5 |
25BYZ-B01 | 15 | 2 | 12 | 0.23 | 53 | 23.5 | 0.0417 | 20 | ≧40 | UL1061 28# | a | 6 |
25BYZ-B058A | 15 | 2 | 5 | 0.625 | 8 | 4.7 | 0.0508 | 20 | ≧35 | UL1061 26# | a | 7 |
25BYZ-C06 | 7.5 | 2 | 5 | 0.34 | 14.7 | 7.5 | 0.0254 | 30 | ≧13 | UL1061 26# | a | 8 |
25BYZ-C07 | 7.5 | 2 | 5 | 0.34 | 14.7 | 7.5 | 0.0254 | 30 | ≧13 | UL1061 26# | a | 9 |
25BYZ-C017 | 7.5 | 2 | 7 | 0.15 | 47 | 17.8 | 0.0254 | 9.8 | ≧13 | UL1095 28# | a | 10 |
该款电机可以根据客户需求定制。
The motor can be designed &manufactured with customized request.




Copyright 2023 版权所有 江苏富兴电机技术股份有限公司 苏ICP备05002292号-1