项目(Item) | 说明(Specifications) |
步距角(Step Angle) | 1.8° |
步距角精度(Step Angle Accuracy) | ±5% (整步无负载,full step, no load) |
径向间隙( Radial Play) | 0.02mm@450 g |
轴向间隙( Axial Play) | 0.08mm@450 g |
最大径向负载(Max. radial force) | 220N 距法兰20mm (20mm from the flange) |
最大轴向负载(Max. axial force) | 60N |
介电强度(Dielectric Strength) | 820VAC / 1s |
绝缘电阻(Insulation Resistance) | 100MΩ ,500VDC |
环境温度(Ambient Temperature) | -20。C~+50。C |
绝缘等级(Insulation Class) | Class B |
型号(Model No.) | Current /Phase 每相 电流 | Resistance /Phase 每相 电阻 | Inductance /Phase 每相 电感 | Holding Torque 保持 转矩 | Detent Torque 定位 转矩 | # of Leads 引出线数 | Rotor Inertia 转动惯量 | Weight 重量 | Length 机身 长度 |
Single shaft (单出轴) | A | Ω | mH | N.m | N.m | # | g-cm2 | kg | mm |
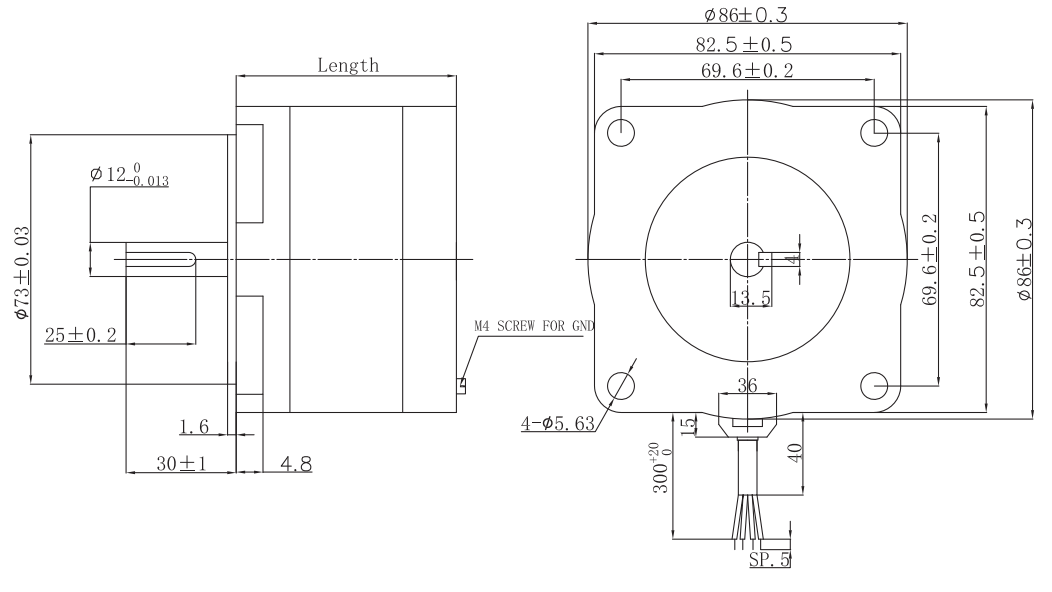
FL86ST67-2808AH | 2.8 | 1.3 | 5.1 | 2.8 | 0.12 | 8 | 660 | 1.6 | 67±1 |
FL86ST94-2808AH | 2.8 | 1.7 | 7.7 | 4.8 | 0.18 | 8 | 1200 | 2.4 | 94±1 |
FL86ST125-3508AH | 3.5 | 1.42 | 7.9 | 7.6 | 0.23 | 8 | 1800 | 3.6 | 125±1 |
该款电机可以根据客户需求定制。
The motor can be designed &manufactured with customized request.




Copyright 2023 版权所有 江苏富兴电机技术股份有限公司 苏ICP备05002292号-1