绕组连接方式 ( Winding Type ) | 星形 ( Star connection) |
霍尔分布角度 ( Hall Effect Angle ) | 120度电角度 ( Electrical Angle of 120 degree) |
径向间隙 ( Radial Play ) | 0.02mm@450g |
轴向间隙 ( Axial Play ) | 0.08mm@450g |
最大径向负载 ( Max radial force ) | 20N 距法兰10mm ( 10mm From the flange) |
最大轴向负载 ( Max axial force ) | 10N |
介电强度 ( Dielectric Strength ) | 600VAC/1S |
绝缘电阻 ( Insulation Resistance ) | 100MΩ, 500VDC |
环境温度 ( Ambient Temperature ) | -20°C ~ +55°C |
绝缘等级 (Insulation Class) | Class F |
引出线型号 Type | 引出线颜色 Color | 功能 Functions |
UL1061 AWG26 | 红色 ( Red ) | 霍尔电源正 ( Vcc ) |
绿色 ( Green ) | 霍尔 U ( Hu ) | |
蓝色 ( Blue ) | 霍尔 V ( Hv ) | |
灰色 ( Grey ) | 霍尔 W ( Hw ) | |
黑色 ( Black) | 霍尔电源负 ( GND ) | |
UL1007 AWG20 | 棕色 (Brown ) | U相 ( Phase U ) |
橙色 ( Orange) | V相 ( Phase V ) | |
黄色 ( Yellow ) | W相 ( Phase W ) |
单 位 (Unit) | FL45BLWH21-24V-4452A-2 | |
极数 ( Number of poles ) | 14 | |
相数 ( Number of phases ) | 3 | |
额定电压 ( Rated voltage ) | VDC | 24 |
额定转矩 ( Rated torque) | mN.m | 112 |
连续运行转矩 ( Continuous stall torque) | mN.m | 135 |
额定速度 ( Rated speed ) | RPM | 4400 |
额定功率 ( Rated power ) | W | 50 |
峰值转矩 ( Peak torque ) | mN.m | 336 |
峰值电流 ( Peak current ) | A | 9 |
线电阻 ( Line to line resistance ) | ohms@20℃ | 0.75 |
线电感 ( Line to line inductance ) | mH | 0.42 |
转矩常数 ( Torque constant ) | mN.m/A | 37 |
反电势 ( Back EMF ) | Vrms/KRPM | 3.1 |
转动惯量 ( Rotor inertia ) | g.cm2 | 135 |
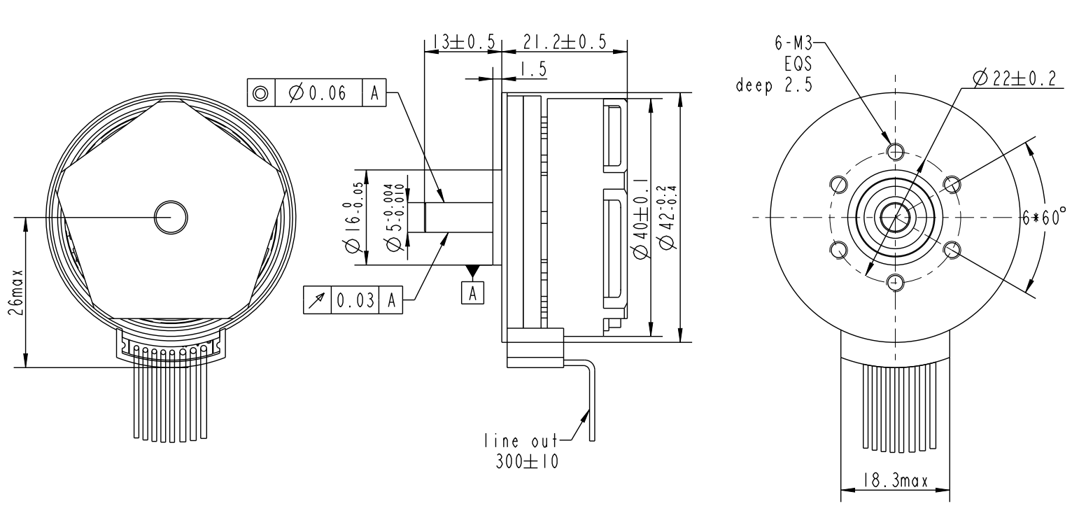
机身长度 ( Motor length ) | mm | 21.5 |
重量 ( Weight ) | Kg | 0.13 |
该款电机可以根据客户需求定制。
The motor can be designed &manufactured with customized request.

Copyright 2023 版权所有 江苏富兴电机技术股份有限公司 苏ICP备05002292号-1